Проблем с вентилатора Форд Ескорт
-
krisofrodo
- потребител

- Мнения: 20
- Регистриран: 19 авг 2014, 15:27
- Модел на автомобила: Focus/Mondeo
- Status: Извън линия
Проблем с вентилатора Форд Ескорт
Имам следния проблем : Ескортчето ми е 1.6 16v и в един лош зимен ден в движение просто парното спря ( да духа силно от 3та степен ) разглобих конзолата , прегледах бушони - Нищо . Дадох ток директно от акумулатора и вентилатора включва степените , но иначе не иска . Замислих се да не е от релето , но си нямам на идея нито къде се намира , нито как се сваля таблото . Дайте мнения . Благодаря предварително .
- antipower
- потребител

- Мнения: 432
- Регистриран: 11 окт 2013, 18:59
- Модел на автомобила: Focus 1.6 16v 2002г. Ghia
- Местоположение: Карлово
- Status: Извън линия
Re: Проблем с вентилатора Форд Ескорт
Имаш един 4 позиционен превключвател, който според степента, ти
подава 12 волта на ограничителния резистор (за 1 и 2 скорост) или директно на мотора (за 3-та).
Най-вероятно имаш лоша връзка на проводника за 3-та скорост с мотора или проводника се е прекъснал.
Миналата година поправих на баща ми на ексорта (1.6 16V 1994) същия проблем.
Бяха прекъсната проводниците за 2 и 3 скорост и се принудих да прекарвам нови 3 проводника от копчето за степените
до електромотора. Първо пробвах да прекарам кабелите през въздуховода, защото беше най-лесно, но се оказа, че
кабелите пречат на клапата за разпределяне на въздуха.
В последствие ги прекарах през един отвор, под кормилото, който излиза някъде до АБС модула.
Успех ти пожелавам !
подава 12 волта на ограничителния резистор (за 1 и 2 скорост) или директно на мотора (за 3-та).
Най-вероятно имаш лоша връзка на проводника за 3-та скорост с мотора или проводника се е прекъснал.
Миналата година поправих на баща ми на ексорта (1.6 16V 1994) същия проблем.
Бяха прекъсната проводниците за 2 и 3 скорост и се принудих да прекарвам нови 3 проводника от копчето за степените
до електромотора. Първо пробвах да прекарам кабелите през въздуховода, защото беше най-лесно, но се оказа, че
кабелите пречат на клапата за разпределяне на въздуха.
В последствие ги прекарах през един отвор, под кормилото, който излиза някъде до АБС модула.
Успех ти пожелавам !
-
krisofrodo
- потребител

- Мнения: 20
- Регистриран: 19 авг 2014, 15:27
- Модел на автомобила: Focus/Mondeo
- Status: Извън линия
Re: Проблем с вентилатора Форд Ескорт
Благодаря ти колега , но имам още едно въпросче . Понеже изобщо не включва на нито една от степените , дали може да е от релето? пробвах с друго ключе но не стана .
- antipower
- потребител

- Мнения: 432
- Регистриран: 11 окт 2013, 18:59
- Модел на автомобила: Focus 1.6 16v 2002г. Ghia
- Местоположение: Карлово
- Status: Извън линия
Re: Проблем с вентилатора Форд Ескорт
Провери, дали ти идват 12 волта на самото ключе, когато си на контакт.
Ако идват, значи релето си е наред и се губи от ключето до вентилатора.
Ако идват, значи релето си е наред и се губи от ключето до вентилатора.
- antipower
- потребител

- Мнения: 432
- Регистриран: 11 окт 2013, 18:59
- Модел на автомобила: Focus 1.6 16v 2002г. Ghia
- Местоположение: Карлово
- Status: Извън линия
Re: Проблем с вентилатора Форд Ескорт
Препоръчително е, ако не си много да ТИ с токовете, да извикаш някой познат да съдейства.
Иначе веригата не е сложна.
Дай малко повече инфо за колата. Има ли климатик, коя година е ?
Иначе веригата не е сложна.
Дай малко повече инфо за колата. Има ли климатик, коя година е ?
-
krisofrodo
- потребител

- Мнения: 20
- Регистриран: 19 авг 2014, 15:27
- Модел на автомобила: Focus/Mondeo
- Status: Извън линия
Re: Проблем с вентилатора Форд Ескорт
Току що установих , че няма всъщност . Иначе колата е 93' и има климатик ( от тези със стария фреон ) . Ако можеш да ме опътиш къде се намира горе долу гореспоменатото реле ще ме улесниш в търсенето.
- HACKO
- Модератор

- Мнения: 13115
- Регистриран: 24 май 2006, 21:22
- Модел на автомобила: FORD FOCUS 04г/1.6/ X 4696 KK
SUBARU LEGACY 10г/2.0/ СВ 6292 ВК - Местоположение: ХАСКОВО
- Status: Извън линия
Re: Проблем с вентилатора Форд Ескорт
Реле няма, тези Ескорти страдат от "студени спойки" в таблото с бушоните и най-вероятно при тебе проблема е същия. Тъй като презапояването много трудна работа (лично съм се убедил в това), моя съвет е да вземеш отнякъде +12V на контакт и да го подадеш с допълнителен кабел към ключа.
- antipower
- потребител

- Мнения: 432
- Регистриран: 11 окт 2013, 18:59
- Модел на автомобила: Focus 1.6 16v 2002г. Ghia
- Местоположение: Карлово
- Status: Извън линия
Re: Проблем с вентилатора Форд Ескорт
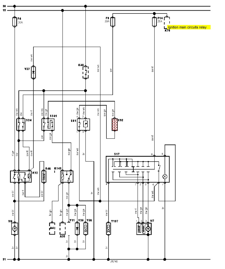
Погледни тази схемичка, но си нямам никаква идея къде може да е.
- HACKO
- Модератор

- Мнения: 13115
- Регистриран: 24 май 2006, 21:22
- Модел на автомобила: FORD FOCUS 04г/1.6/ X 4696 KK
SUBARU LEGACY 10г/2.0/ СВ 6292 ВК - Местоположение: ХАСКОВО
- Status: Извън линия
Re: Проблем с вентилатора Форд Ескорт
Като погледнах схемата и се сетих да попитам, нали си проверил бушона F14?
-
krisofrodo
- потребител

- Мнения: 20
- Регистриран: 19 авг 2014, 15:27
- Модел на автомобила: Focus/Mondeo
- Status: Извън линия
Re: Проблем с вентилатора Форд Ескорт
Всички ги проверих - Работят
-
krisofrodo
- потребител

- Мнения: 20
- Регистриран: 19 авг 2014, 15:27
- Модел на автомобила: Focus/Mondeo
- Status: Извън линия
Re: Проблем с вентилатора Форд Ескорт
Оправих го , тоест го побългарих
. Ето какво направих : Изкарах един кабел от бушонното табло ( от F14 - то дефакто там си е точно за вентилатора ) прекарах го от зад на таблото , под километража та точно зад конзолата
. Явно някъде кабела на контролера за степените се е прекъснал и за това е бил целия яд . Благодаря ви все пак колеги за отделеното време
Поздрави !
- lubomirov89
- потребител

- Мнения: 774
- Регистриран: 01 сеп 2010, 13:49
- Модел на автомобила: Ford Focus 1.6 16v FYDA
- Местоположение: Левски
- Status: Извън линия
Re: Проблем с вентилатора Форд Ескорт
Надявам се си го прекарал през предпазител ?
-
krisofrodo
- потребител

- Мнения: 20
- Регистриран: 19 авг 2014, 15:27
- Модел на автомобила: Focus/Mondeo
- Status: Извън линия
Re: Проблем с вентилатора Форд Ескорт
През бушона минава
- antipower
- потребител

- Мнения: 432
- Регистриран: 11 окт 2013, 18:59
- Модел на автомобила: Focus 1.6 16v 2002г. Ghia
- Местоположение: Карлово
- Status: Извън линия
Re: Проблем с вентилатора Форд Ескорт
Честито парно !
Браво
Браво
- paci
- Модератор

- Мнения: 7886
- Регистриран: 18 яну 2005, 07:52
- Модел на автомобила: Fiesta MK4 Zetec-S 1.4 16V 90 коня
Fiesta MK6 Ti-Vct 1.6 120 коня - Местоположение: Плевен
- Status: Извън линия
Re: Проблем с вентилатора Форд Ескорт
Е, нали ВЕНТИЛАТОРА си е оправил?antipower написа:Честито парно !
Браво
-
krisofrodo
- потребител

- Мнения: 20
- Регистриран: 19 авг 2014, 15:27
- Модел на автомобила: Focus/Mondeo
- Status: Извън линия
Re: Проблем с вентилатора Форд Ескорт
Е вентилатора де
то без него духа топло колкото да минава номера 
Кой е на линия
Потребители, разглеждащи този форум: Няма регистрирани потребители и 23 госта
