Ел. инсталация на климатик
-
Rumen_2000
- потребител

- Мнения: 12
- Регистриран: 15 дек 2006, 10:00
- Модел на автомобила: FIESTA Mk7 1.4 71 kW 2010 г.
- Местоположение: GABROVO
- Status: Извън линия
Ел. инсталация на климатик
Здравейте, имам проблем с климатика - не включва.
Много ще съм благодарен ако някой ми обясни къде се намира релето, което включва електромагнитният съединител на компресора на климатика.
Много ще съм благодарен ако някой ми обясни къде се намира релето, което включва електромагнитният съединител на компресора на климатика.
- synthez 3D
- Потребител

- Мнения: 1749
- Регистриран: 04 окт 2005, 08:57
- Модел на автомобила: C-MAX Titanium 1.0 Ecobоost-125 HP 2014,
FOCUS 1,6-100 HP 2011,
C-MAX -компютърен 3D модел,
бивш C-MAX Ghia 1.8 16V-125HP 2008, - Местоположение: Г.Оряховица
- Status: Извън линия
-
Rumen_2000
- потребител

- Мнения: 12
- Регистриран: 15 дек 2006, 10:00
- Модел на автомобила: FIESTA Mk7 1.4 71 kW 2010 г.
- Местоположение: GABROVO
- Status: Извън линия
- alex___
- потребител

- Мнения: 54
- Регистриран: 22 фев 2005, 01:05
- Модел на автомобила: Ford Escort 1.3
- Местоположение: Пловдив
- Status: Извън линия
Здравей колега,
сигурен ли си че има фреон как разбра, че е пълна системата. Някой върза ли манометри за да види какво е налиагането?Ако си сигурен че системата е пълна укъси пресостата(датчика)за ниското налягане може да се е скапал .Може така да караш временно, но само ако си сигурен че има фреон
сигурен ли си че има фреон как разбра, че е пълна системата. Някой върза ли манометри за да види какво е налиагането?Ако си сигурен че системата е пълна укъси пресостата(датчика)за ниското налягане може да се е скапал .Може така да караш временно, но само ако си сигурен че има фреон
И при слънце и при дъжд
Форда пали от веднъж!
Форда пали от веднъж!
-
Rumen_2000
- потребител

- Мнения: 12
- Регистриран: 15 дек 2006, 10:00
- Модел на автомобила: FIESTA Mk7 1.4 71 kW 2010 г.
- Местоположение: GABROVO
- Status: Извън линия
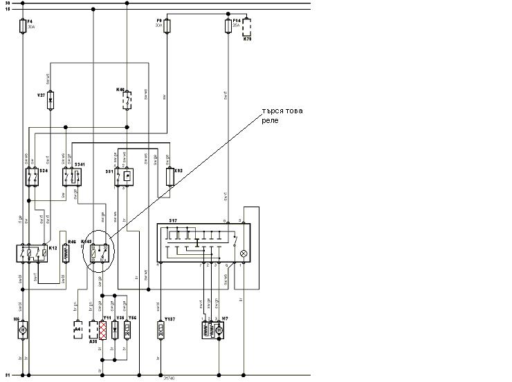
Налягането е измерено няма проблем. Не включва релето след пресостата и точно него търся.
Последна промяна от Rumen_2000 на 07 май 2007, 23:11, променено общо 2 пъти.
-
maikalllll
- потребител

- Мнения: 25
- Регистриран: 07 сеп 2006, 22:25
- Модел на автомобила: FORD mondeo 1.8 tdi 95 год.
- Status: Извън линия
:(
здравей проблема ми е същия днес полудях от жега , и на мен като се окаси с два кабела климата трагжа та се не трае но ..........
ще следя темата за евентуални отговори .........
ще следя темата за евентуални отговори .........
- traqn_savov
- потребител

- Мнения: 932
- Регистриран: 03 май 2007, 20:23
- Модел на автомобила: citroen xsara 1.4i 99 silverlight
- Местоположение: VARNA
- Status: Извън линия
на скорпиото "старото 84" тези релета са под таблото от пред в дясно...
На твоето Еб. л м.
На твоето Еб. л м.
Форум на българските неспециалисти.
Траян Савов:
Генерален спонсор на Глобул-ад, Виваком, еон българия и ром-петрол....
а мен кой ще спонсорира.?!!?!!?
Траян Савов:
Генерален спонсор на Глобул-ад, Виваком, еон българия и ром-петрол....
а мен кой ще спонсорира.?!!?!!?
-
Rumen_2000
- потребител

- Мнения: 12
- Регистриран: 15 дек 2006, 10:00
- Модел на автомобила: FIESTA Mk7 1.4 71 kW 2010 г.
- Местоположение: GABROVO
- Status: Извън линия
- Атанас
- потребител

- Мнения: 857
- Регистриран: 18 окт 2006, 15:36
- Модел на автомобила: Mondeo MK2 1.8TDI в сърцето ми
Mondeo MK3 2.2TDCI - Местоположение: София
- Status: Извън линия
Колега,
от картинката, която си дал оставам с впечатление, че става въпрос за релето, което включва муфата на компресора.
Гледам в една книжка за Ескорт и там намирам следното:
модели до януари 1995г. въпросното реле е No14 кафяво
модели след февруари 1995г. No4 кафяво
в книжката пише: "До релетата има достъп от задната страна на монтажния с предпазители в салона на автомобила."
от картинката, която си дал оставам с впечатление, че става въпрос за релето, което включва муфата на компресора.
Гледам в една книжка за Ескорт и там намирам следното:
модели до януари 1995г. въпросното реле е No14 кафяво
модели след февруари 1995г. No4 кафяво
в книжката пише: "До релетата има достъп от задната страна на монтажния с предпазители в салона на автомобила."
-
maikalllll
- потребител

- Мнения: 25
- Регистриран: 07 сеп 2006, 22:25
- Модел на автомобила: FORD mondeo 1.8 tdi 95 год.
- Status: Извън линия
:)
проблема ми е отстранен,вапросното реле при мен се намира в кутията която е до акумолатора .......... за ескорт не знам то4но каде е 
- Антон Маринов
- потребител

- Мнения: 304
- Регистриран: 15 яну 2007, 08:42
- Модел на автомобила: преди- FORD ESKORT 1997/ 1.8 TD/90ph
сега - VOLVO V70 2001/2,5 TD/140ph - Местоположение: В.Търново
- Status: Извън линия
Аз пък три дни бягам по " МАЙСТОРИ" при мен климатика включва изключваи така постоянно и не ми включва перката на радиатора.
Че вентилатора ли не беше, че температурни датчици и днес стигнахме до извода че няма достатъчно налягане на фреона.
Като стигна 15- 16 атмосфери включи и сега всичко е ОК.
Работнито налягане на климатика е 19атм.
Че вентилатора ли не беше, че температурни датчици и днес стигнахме до извода че няма достатъчно налягане на фреона.
Като стигна 15- 16 атмосфери включи и сега всичко е ОК.
Работнито налягане на климатика е 19атм.
-
DTM
- потребител

- Мнения: 1526
- Регистриран: 05 мар 2006, 14:18
- Модел на автомобила: *
- Местоположение: Варна
- Контакти:
- Status: Извън линия
Надявам се това да помогне -> Air Conditioner re-fill and servicemrdds написа:колеги,за да не отварям нова тема,да попитам в тази: от каде се пълни системата с фреон?Автомобила е фокус 99г.
Гледахме 3-ма "майстори" и не открихме.Ако на някой му се намира картинка най добре.
Става въпрос за дюзите за високо и ниско налягане.
-
_SLiThER_
- Status: Извън линия
DTM написа: Надявам се това да помогне -> Air Conditioner re-fill and service.
- mrdds
- потребител

- Мнения: 3127
- Регистриран: 23 фев 2006, 12:26
- Модел на автомобила: S max 2.0 Diratec HE 2007 titanium
- Местоположение: Пловдив
- Status: Извън линия
@DTM ,
дали със сигурност е на фокус ,защото не видях май да го пише някъде.
Edit:Аааа да още спя и гледам па не виждам.Мерси Cenzor!
дали със сигурност е на фокус ,защото не видях май да го пише някъде.
Edit:Аааа да още спя и гледам па не виждам.Мерси Cenzor!
Последна промяна от mrdds на 15 май 2007, 11:06, променено общо 1 път.
- alex___
- потребител

- Мнения: 54
- Регистриран: 22 фев 2005, 01:05
- Модел на автомобила: Ford Escort 1.3
- Местоположение: Пловдив
- Status: Извън линия
stefank написа:На мен ми е изгорял датчика на климата, някой знае ли откъде мога да намеря такъв за някви нормални пари.На него пише:
93GW19D 566 AA
P8 D3A
SP3 H1004
Благодаря предварително!
Кой датчик, колега? За температурата или за налягането?
paci:
ВКЛЮЧИ HTML в това мнение, за да ти се оправят цитатите!
И при слънце и при дъжд
Форда пали от веднъж!
Форда пали от веднъж!
Кой е на линия
Потребители, разглеждащи този форум: Няма регистрирани потребители и 35 госта



