Проблем с паленето
-
Akfos
- потребител

- Мнения: 1
- Регистриран: 17 яну 2023, 08:55
- Местоположение: Англия
- Status: Извън линия
Проблем с паленето
Здравейте на всички имам проблем с моя форд фокус 1.6 2002.
Проб
Ема е следния две години не съм ползвал колата тъй,като имам друга въобще не съм я палил и не съм я ползвал.
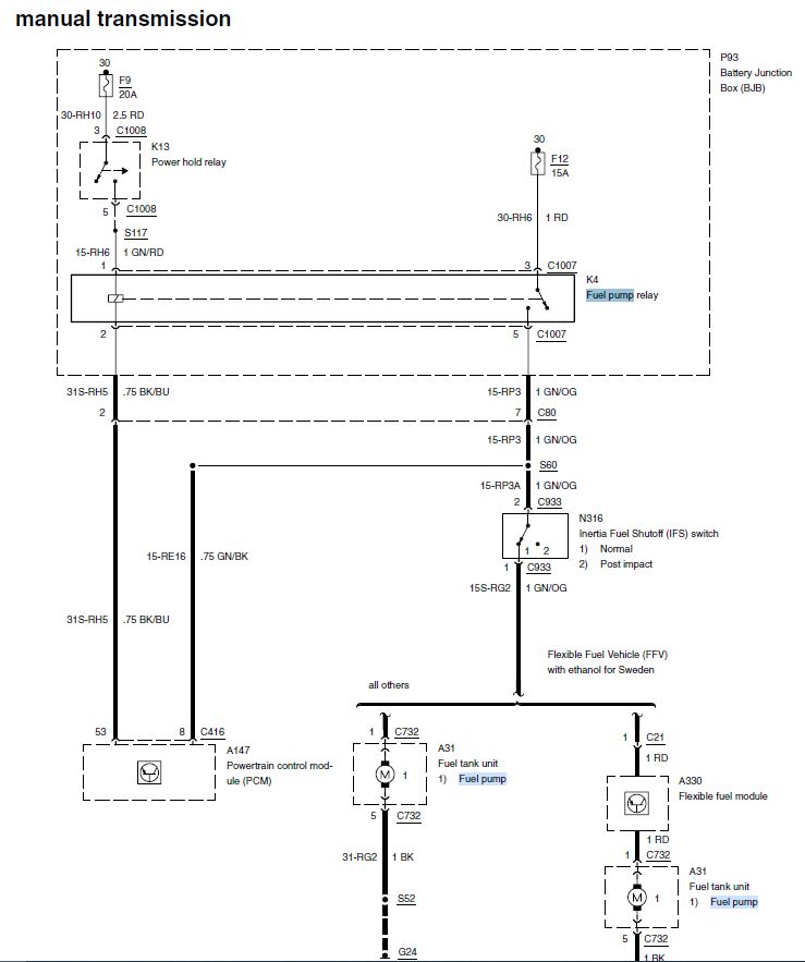
Преди две седмици решавам да я паля всичко е ок.оставих я да работи десетина минути,изгасих я след което повече не ще да пали,върти но не пали има бензин но не чувам помпата при даване на контакт.
Не знам дали е от помпата или е предпазител и как да намеря този предпазител къде се намира.
Проб
Ема е следния две години не съм ползвал колата тъй,като имам друга въобще не съм я палил и не съм я ползвал.
Преди две седмици решавам да я паля всичко е ок.оставих я да работи десетина минути,изгасих я след което повече не ще да пали,върти но не пали има бензин но не чувам помпата при даване на контакт.
Не знам дали е от помпата или е предпазител и как да намеря този предпазител къде се намира.
- MamaMy
- потребител

- Мнения: 88
- Регистриран: 18 мар 2021, 22:05
- Модел на автомобила: Galaxy 1,9 TDI 2003г
- Местоположение: Плевен
- Status: Извън линия
Re: Проблем с паленето
Бензина се е желирал. Дано не е скапал помпата. Трябва да се свали и промие резервоар, помпа, горивопроводи, дюзи. Когато видях за първи път какви медузи изтекоха не можах да си повярвам на очите. Това е следствие от новите молекули. Горивата са синтетични и се развалят за няколко месеца. Не знам в държавния резерв как го съхраняват?
По-добре млад, здрав, красив и богат отколкото стар, беден, болен и грозен 
- ivchotr
- потребител

- Мнения: 1033
- Регистриран: 31 окт 2015, 13:40
- Местоположение: София
- Status: Извън линия
Re: Проблем с паленето
В големите цистерни условията са други, а и повечето в държавния резерв са вкопани в земята. По-трудно се развалят горивата така. Освен това през определен период от време складираните количества се опресняват, като старата зарядка се пуска в експлоатация, а на нейно място наливат прясно гориво.
Знам всички вицове за Форд 
Кой е на линия
Потребители, разглеждащи този форум: Няма регистрирани потребители и 15 госта
