датчици, MAP TPS и изпълнителни елементи.. диагностика.
- traqn_savov
- потребител

- Мнения: 932
- Регистриран: 03 май 2007, 20:23
- Модел на автомобила: citroen xsara 1.4i 99 silverlight
- Местоположение: VARNA
- Status: Извън линия
датчици, MAP TPS и изпълнителни елементи.. диагностика.
Реших да направя тая тема, за обмяна на опит между потребителите, зная много неща но винаги човек може да научи нещо ново...
Така започваме със най често заминаващият датчик, датчика за позиция на клапата или TP и това е нормално, това е най сурканият потенциометър, при всяко даване на газ се сурка..
Този датчик е най важният, по него компютъра разбира на колко градуса си отворил клапата, а пък това го прави като обръща съпротивлението във волтаж, как става..
Това си е чист потенциометър, на единият му край се подава стабилизиран волтаж от еку-то 5 волта другият край е маса, средният се плъзга ту към масата, като отпускаш газта, или като даваш газ към полужителният полюс, по този начин подава различен потенциал към екуто, и понеже характеристиката му е линейна, лесно го обръща във проценти или градуси на завъртане на дроселната клапа...
Как се замерва..
Симтомите са, не се форсирва двигателя глъхне или пуши..
Много лесно, с един дигитален мултицет, се установява дали първо има напрежение от +5 волта на пин 1 на буксата, ако напрежението е на лице, се замерва пин две, при напълно отпусната дроселна клапа между пин 2 и пин 3 "или маса същото е" се установява напрежение във рамките на 0,2-1,1 волта, започва бавно да се дава газ "натиска се педала" и волтажа трябва да се покачва плавно, във целият диапазон, да няма колебания, при напълно отворена клапа волтожа трябва да се установи до 4.8 което за компютъра означава газ до ламарината
Ако измерените напрежения са налице, значи съмненията ни за тротъл позишън сензор, или сензор на ъгъла на завъртане на дроселната клапа, са неоснователни, TPS-са работи коректно и компютъра го разбира какво му "говори" ..
Спестихме 80 лева, и можем да пием една биричка..
Нататък ще обясня за останалите сензори и датчици, за какво служат и как се замерват, за да си спестите ненужно сменяне на работещи работи....
Моля коментарите да са въздържани от ненужни пристъпи на простотия и флодене, на някой хора може да им е интересно да научат, аз съм копувал и съм чел книги дълго време, и ще се опитам да обясня синтезирано, но познания по електроника помагат, все пак тава си е 90 процента такава.
Утре ще обесня за MAP сензора, който както виждате е вкючен и работи заедно със ти-пи-ес са.

Така започваме със най често заминаващият датчик, датчика за позиция на клапата или TP и това е нормално, това е най сурканият потенциометър, при всяко даване на газ се сурка..
Този датчик е най важният, по него компютъра разбира на колко градуса си отворил клапата, а пък това го прави като обръща съпротивлението във волтаж, как става..
Това си е чист потенциометър, на единият му край се подава стабилизиран волтаж от еку-то 5 волта другият край е маса, средният се плъзга ту към масата, като отпускаш газта, или като даваш газ към полужителният полюс, по този начин подава различен потенциал към екуто, и понеже характеристиката му е линейна, лесно го обръща във проценти или градуси на завъртане на дроселната клапа...
Как се замерва..
Симтомите са, не се форсирва двигателя глъхне или пуши..
Много лесно, с един дигитален мултицет, се установява дали първо има напрежение от +5 волта на пин 1 на буксата, ако напрежението е на лице, се замерва пин две, при напълно отпусната дроселна клапа между пин 2 и пин 3 "или маса същото е" се установява напрежение във рамките на 0,2-1,1 волта, започва бавно да се дава газ "натиска се педала" и волтажа трябва да се покачва плавно, във целият диапазон, да няма колебания, при напълно отворена клапа волтожа трябва да се установи до 4.8 което за компютъра означава газ до ламарината
Ако измерените напрежения са налице, значи съмненията ни за тротъл позишън сензор, или сензор на ъгъла на завъртане на дроселната клапа, са неоснователни, TPS-са работи коректно и компютъра го разбира какво му "говори" ..
Спестихме 80 лева, и можем да пием една биричка..
Нататък ще обясня за останалите сензори и датчици, за какво служат и как се замерват, за да си спестите ненужно сменяне на работещи работи....
Моля коментарите да са въздържани от ненужни пристъпи на простотия и флодене, на някой хора може да им е интересно да научат, аз съм копувал и съм чел книги дълго време, и ще се опитам да обясня синтезирано, но познания по електроника помагат, все пак тава си е 90 процента такава.
Утре ще обесня за MAP сензора, който както виждате е вкючен и работи заедно със ти-пи-ес са.
Форум на българските неспециалисти.
Траян Савов:
Генерален спонсор на Глобул-ад, Виваком, еон българия и ром-петрол....
а мен кой ще спонсорира.?!!?!!?
Траян Савов:
Генерален спонсор на Глобул-ад, Виваком, еон българия и ром-петрол....
а мен кой ще спонсорира.?!!?!!?
- traqn_savov
- потребител

- Мнения: 932
- Регистриран: 03 май 2007, 20:23
- Модел на автомобила: citroen xsara 1.4i 99 silverlight
- Местоположение: VARNA
- Status: Извън линия
MAP или сензора на абсолютното налягане във колектора, също е важен датчик, кайто "докладва" на компютъра какво е налягането във смукателният колектор.. И от там алгоритъмът заложен във компютърната памет, решава как да действа...
Маповете са много различни, този на бош е коренно различен и по устройство и по начин на действие, но тук разглеждаме моновпръскване вебер.
Пълна мъгла за устройството то му вътре, но това е генератор на колебания управляван от вакумът във смукателният колектор.
Когато му се подаде захранване +5 волта и маса, на активният си край започва да произвежда колебания със честота 160 херца, когато подналягането спадне, честотата на генераций се установява на стойност приблизително 105 херца.
И по този начин съобщава на еку-то какво е абсолютното налягане във смукателният колектор...
Какви са симптомите..
Намалена мощност "особено като е студена" трудно ускорение няма пъргавина...
Еку-то при повреда замества датчика със една усреднена стойност, така че колата се движи..
как се мери, за съжеление трябва осцилоскопичен уред, иначе не може.
Но при наличието на такъв..
на пин едно се проверява "колата на контакт" дали се установява захранващото напрежение от 5 волта. на пин три е масата на датчика, най лесно се мери със мулти цета между пин 1 и пин 3 .
към маса и пин 2 се свързва осцилоскопа, и се мери честотата, на контакт само, 160 херца
двигателя се пали и на ниски 105 херца, на 3000 оборота също 105 херца..
Ако е така датчика работи коректно, можем да ударим една бира, но не прекалявайте със бирата, идва ред на температурните датчици.
Маповете са много различни, този на бош е коренно различен и по устройство и по начин на действие, но тук разглеждаме моновпръскване вебер.
Пълна мъгла за устройството то му вътре, но това е генератор на колебания управляван от вакумът във смукателният колектор.
Когато му се подаде захранване +5 волта и маса, на активният си край започва да произвежда колебания със честота 160 херца, когато подналягането спадне, честотата на генераций се установява на стойност приблизително 105 херца.
И по този начин съобщава на еку-то какво е абсолютното налягане във смукателният колектор...
Какви са симптомите..
Намалена мощност "особено като е студена" трудно ускорение няма пъргавина...
Еку-то при повреда замества датчика със една усреднена стойност, така че колата се движи..
как се мери, за съжеление трябва осцилоскопичен уред, иначе не може.
Но при наличието на такъв..
на пин едно се проверява "колата на контакт" дали се установява захранващото напрежение от 5 волта. на пин три е масата на датчика, най лесно се мери със мулти цета между пин 1 и пин 3 .
към маса и пин 2 се свързва осцилоскопа, и се мери честотата, на контакт само, 160 херца
двигателя се пали и на ниски 105 херца, на 3000 оборота също 105 херца..
Ако е така датчика работи коректно, можем да ударим една бира, но не прекалявайте със бирата, идва ред на температурните датчици.
Форум на българските неспециалисти.
Траян Савов:
Генерален спонсор на Глобул-ад, Виваком, еон българия и ром-петрол....
а мен кой ще спонсорира.?!!?!!?
Траян Савов:
Генерален спонсор на Глобул-ад, Виваком, еон българия и ром-петрол....
а мен кой ще спонсорира.?!!?!!?
- traqn_savov
- потребител

- Мнения: 932
- Регистриран: 03 май 2007, 20:23
- Модел на автомобила: citroen xsara 1.4i 99 silverlight
- Местоположение: VARNA
- Status: Извън линия
Температурата на двигателя, един от най важните, основните параметри който определят времето на впръскване..
Това се извършва чрез температурни датчици, монтирани най често до колектора, "защото бензина кондензира точно там"
на моно впръска на вебер " в момента разглеждаме него" са монтирани два датчика, един който мери температурата на засмукваният въздух,"IAT" и един кайто мери температурата на охлаждащата течност,"ECT" респективно на двигателя, "намира се под впръскващият възел".....
Температурният датчик е изготвен от термо чуствителен материал "най често силиций, но може и да е от други материали"
Същеструват два вида термистори, със положителен температурен коефицент "тоест съпротивлението им расте заедно със температурата"
и със отрицателен температурен коефицент "тоест когато температурата расте, съпротивлението пада"
точно такива са и на моновпръска вебер, със обратен температурен коефицент.
Неисправности...
двигателя пали особенно трудно когато е студен, и глъхне, няма мощност и пъргавина, като е загрял работи добре "зависи дали ще се запуше датчика, или ще пробие"
Тава са много издръжливи компонети, но все пак, и на тях им идва времето..
Как работят, единият им край е свързан със маса, на другият край се подава преднапрежение, което минава през много прецизносъпротивление, едното "презизното в еку-то" е постоянно, не се изменя във времето, а на другото "вградено във блока" при него е функция на температурата, когато загрее, съпротивлението му намалява, но на другото остава постоянно, и така през него протича повече ток, и напрежението пада, по този начин превръща температура-напрежение и го предава на блока "екюто" като сведение за загряването...
За температурата на засмукваният въздух е абсолютно същото, и няма да го разглеждаме..
Как се мери, първо трябва да му имаме данните, ауто датата помага "но и тя не е вездесъща"
слага се във един чайник, свързва се със ом метър и се слага химически тернометър "от онея до 150 градуса"
Просто сравнение на тепрературата...
Ако измерената съвпада със данните, значи всичко е наред..
Сигнала се замества със еталонен на нормално загряла кола.. "пали трудно но върви като загрее"
Това се извършва чрез температурни датчици, монтирани най често до колектора, "защото бензина кондензира точно там"
на моно впръска на вебер " в момента разглеждаме него" са монтирани два датчика, един който мери температурата на засмукваният въздух,"IAT" и един кайто мери температурата на охлаждащата течност,"ECT" респективно на двигателя, "намира се под впръскващият възел".....
Температурният датчик е изготвен от термо чуствителен материал "най често силиций, но може и да е от други материали"
Същеструват два вида термистори, със положителен температурен коефицент "тоест съпротивлението им расте заедно със температурата"
и със отрицателен температурен коефицент "тоест когато температурата расте, съпротивлението пада"
точно такива са и на моновпръска вебер, със обратен температурен коефицент.
Неисправности...
двигателя пали особенно трудно когато е студен, и глъхне, няма мощност и пъргавина, като е загрял работи добре "зависи дали ще се запуше датчика, или ще пробие"
Тава са много издръжливи компонети, но все пак, и на тях им идва времето..
Как работят, единият им край е свързан със маса, на другият край се подава преднапрежение, което минава през много прецизносъпротивление, едното "презизното в еку-то" е постоянно, не се изменя във времето, а на другото "вградено във блока" при него е функция на температурата, когато загрее, съпротивлението му намалява, но на другото остава постоянно, и така през него протича повече ток, и напрежението пада, по този начин превръща температура-напрежение и го предава на блока "екюто" като сведение за загряването...
За температурата на засмукваният въздух е абсолютно същото, и няма да го разглеждаме..
Как се мери, първо трябва да му имаме данните, ауто датата помага "но и тя не е вездесъща"
слага се във един чайник, свързва се със ом метър и се слага химически тернометър "от онея до 150 градуса"
Просто сравнение на тепрературата...
Ако измерената съвпада със данните, значи всичко е наред..
Сигнала се замества със еталонен на нормално загряла кола.. "пали трудно но върви като загрее"
Форум на българските неспециалисти.
Траян Савов:
Генерален спонсор на Глобул-ад, Виваком, еон българия и ром-петрол....
а мен кой ще спонсорира.?!!?!!?
Траян Савов:
Генерален спонсор на Глобул-ад, Виваком, еон българия и ром-петрол....
а мен кой ще спонсорира.?!!?!!?
- traqn_savov
- потребител

- Мнения: 932
- Регистриран: 03 май 2007, 20:23
- Модел на автомобила: citroen xsara 1.4i 99 silverlight
- Местоположение: VARNA
- Status: Извън линия
Датчик на позицията на коляновият вал..
това е единственият датчик без който двигателя не може да работи, сигнала не му се замества, колата умира..
Това е така защото е много важен датчик, чрез него разбира във всеки един момент във коя фаза се намира газоразпределението, и със каква честота се върти коляновият вал..
Съществуват много типове такива датчици..
Датчици на хол "използват хол ефекта, повече инфо можете да намерите тук
Магнитно индуктивни датчици "бибинни" по същество представляват навита бобинка, върхо която се индуцира ток, наричат се генераторни още "точно такива са и на моно инжекцията..
И оптични "последните нямат приложение, и за това няма да ги разглеждаме."
Симтоми, не пали, не впръсква не хвърля искра от свещите..
Как се мери..
Датчика на хол, е три електронен прибор, той се захранва със +5 волта, маса, и един активен край, просто двигателя се върти и се замерва на активният край дали има колебание на напрежението от +5 до 0...
Магнитно индуктивният, много проста конструкция може да се мери със ом метър показан на схемата, но и със осцилоскоб също става дори е добре да се види разгъната характеристика.
това е единственият датчик без който двигателя не може да работи, сигнала не му се замества, колата умира..
Това е така защото е много важен датчик, чрез него разбира във всеки един момент във коя фаза се намира газоразпределението, и със каква честота се върти коляновият вал..
Съществуват много типове такива датчици..
Датчици на хол "използват хол ефекта, повече инфо можете да намерите тук
Магнитно индуктивни датчици "бибинни" по същество представляват навита бобинка, върхо която се индуцира ток, наричат се генераторни още "точно такива са и на моно инжекцията..
И оптични "последните нямат приложение, и за това няма да ги разглеждаме."
Симтоми, не пали, не впръсква не хвърля искра от свещите..
Как се мери..
Датчика на хол, е три електронен прибор, той се захранва със +5 волта, маса, и един активен край, просто двигателя се върти и се замерва на активният край дали има колебание на напрежението от +5 до 0...
Магнитно индуктивният, много проста конструкция може да се мери със ом метър показан на схемата, но и със осцилоскоб също става дори е добре да се види разгъната характеристика.
Последна промяна от traqn_savov на 13 май 2007, 17:27, променено общо 1 път.
Форум на българските неспециалисти.
Траян Савов:
Генерален спонсор на Глобул-ад, Виваком, еон българия и ром-петрол....
а мен кой ще спонсорира.?!!?!!?
Траян Савов:
Генерален спонсор на Глобул-ад, Виваком, еон българия и ром-петрол....
а мен кой ще спонсорира.?!!?!!?
- traqn_savov
- потребител

- Мнения: 932
- Регистриран: 03 май 2007, 20:23
- Модел на автомобила: citroen xsara 1.4i 99 silverlight
- Местоположение: VARNA
- Status: Извън линия
Последният датчик който ще разглеждаме, е всъщост изкючвател..
намира се във акуатора "моторчето за регулиране на оборотите при празен ход (стъпковият мотор)"
изкючвателя си е чисто ключе, целта му е защото тпе-са не е така прецизен че да установи кога си отпуснал педала чак до нула, смисъла на ключето е ката го отпуснеш то упира във оста на двигателчето и изкючва веригата, прекъсва. Със това окозваш на компютъра " не знам аз отпуснах до край педала, вече ти се грижи за оборотите на празен ход" и точно това и прави..
Но то не е вездесъщо, ако от някъде смучe допълнително въздух, ще затвори клапата, но оборотите няма да паднат, защото не зависи от него, тогава двигателчето ще се изтегли до край, във опит да затвори клапата, е ще си самоизкючи контакта, от там на татък става едно мазано защото губи ниските, "забравихте ли ключето оказва че сте отпуснали педала до край, и че компютъра влиза във режим на празен ход."
Двигателя реално засмуква добавачен въздух само от вентилацията на резервоара " ще я разглеждаме по надоло във темата"
и от едно жиглиорче във филтъра..Другият въздух който евентуално влиза "през сервото, или през гарнитура на колектора, е паразитен вреден.
Моторчето е изпилнителен елемент, изпълнителните елементи се различават от датчиците по това че датчика само оказва, за дадени параметри, температура, налягане и т.н.т.
А чрез изпълнителните елементи, моторче за празният ход, инжектор, клапанче за вентилация, чрез тях компютъра въздейства на двигателя...
просто казано, пита датчиците, за състоянието на двигателя, извършва нужните изчисления, и управлява чрез изпълнителните елементи..
почваме и със тези елементи, който също са основни, но утре ще разгледаме още един датчик, и по точно кислородният датчик, също важен.
намира се във акуатора "моторчето за регулиране на оборотите при празен ход (стъпковият мотор)"
изкючвателя си е чисто ключе, целта му е защото тпе-са не е така прецизен че да установи кога си отпуснал педала чак до нула, смисъла на ключето е ката го отпуснеш то упира във оста на двигателчето и изкючва веригата, прекъсва. Със това окозваш на компютъра " не знам аз отпуснах до край педала, вече ти се грижи за оборотите на празен ход" и точно това и прави..
Но то не е вездесъщо, ако от някъде смучe допълнително въздух, ще затвори клапата, но оборотите няма да паднат, защото не зависи от него, тогава двигателчето ще се изтегли до край, във опит да затвори клапата, е ще си самоизкючи контакта, от там на татък става едно мазано защото губи ниските, "забравихте ли ключето оказва че сте отпуснали педала до край, и че компютъра влиза във режим на празен ход."
Двигателя реално засмуква добавачен въздух само от вентилацията на резервоара " ще я разглеждаме по надоло във темата"
и от едно жиглиорче във филтъра..Другият въздух който евентуално влиза "през сервото, или през гарнитура на колектора, е паразитен вреден.
Моторчето е изпилнителен елемент, изпълнителните елементи се различават от датчиците по това че датчика само оказва, за дадени параметри, температура, налягане и т.н.т.
А чрез изпълнителните елементи, моторче за празният ход, инжектор, клапанче за вентилация, чрез тях компютъра въздейства на двигателя...
просто казано, пита датчиците, за състоянието на двигателя, извършва нужните изчисления, и управлява чрез изпълнителните елементи..
почваме и със тези елементи, който също са основни, но утре ще разгледаме още един датчик, и по точно кислородният датчик, също важен.
Форум на българските неспециалисти.
Траян Савов:
Генерален спонсор на Глобул-ад, Виваком, еон българия и ром-петрол....
а мен кой ще спонсорира.?!!?!!?
Траян Савов:
Генерален спонсор на Глобул-ад, Виваком, еон българия и ром-петрол....
а мен кой ще спонсорира.?!!?!!?
- traqn_savov
- потребител

- Мнения: 932
- Регистриран: 03 май 2007, 20:23
- Модел на автомобила: citroen xsara 1.4i 99 silverlight
- Местоположение: VARNA
- Status: Извън линия
Ламбда сондата, или кислородният сензор.
Както знаете нормалната горивна смес, която позволява на горивото да изгори без остатък "гъст, черен, лютив дим" е на 15 кила въздух 1-дно кило бензин..
За различните режими, този коефицент може да е различен 1 към 14 при обогатена смес 1 към 16 при обеднена смес.
Тоблица:
Кило бензин/ килограм въздух/
1 13 силно обогатена
1 14 обогатена
1 15 нормална
1 16 обеднена
1 18 силно обеднена.
Както виждате различните датчици се грижат да я докарат във тази норма, но това не е достатъчно, трябва обратна връзка изгорели газове-еку
Това го прави ламбда сондата "кислородният сензор" но как, компютъра си разбира от електрически сигнали, а не от изгорели газове, много просто, просто преобразува разликата между вън и вътре във електрицески потенциал, и го подава на компютъра, който вече знае как да ги чете тези сигнали.
устройството, върху едн керамичен корпус, са нанесени два електрода от платина, единият електрод е свързан със атмосферата а другият със испускателният колектор. Вътрешният електрод е защитен от изгорелите газове, чрез керамично покритие. При висока температура керамичният слой става порест и започва да пуска кислородните йони. А количеството с което контактуват двата електрода е различно, възниква потенциална разлика.
Разликата между външният "респективно засмукан" кислород и изгорелия "във обработелите газове, произвежда електрически потенциал от 0,2в при бедна и 0,9в при богата..
или по точно..
При ламбда=0,9 напрежението в сигналния проводник трябва да бъде не по-малко от 0,65V
При ламбда=1,1 напрежението в сигналния изход трябва да бъде не повече от 0,25V
Време за сработване при обеднена горивна смес не повече от 250 мс
Време за сработване при обогатена горивна смес не повече от 450 мс
Съпротивление при температура 300-350 градуса по Целзий не повече от 10 килоома
(но не важи за всички ламбди)
Но тук има уловка, това го прави само ако е загляла до 300 градуса, иначе нищо не прави, само тогава защитният керамичен слой започва да пуска кислородните йони.
Някой "с един кабел" се подгряват от изгорелите газове" но те някой път прегряват и се скапват..
За това не е ли по добре да ги сложим на зад към аспуха, пак минават изгорели газове, но не са така горещи, но как ще се загрее до работна температура, гениално инженерно решение, със вграден резистор
всеки нов сензор със 3 и 4 тери кабела е със вграден нагревател "резистор" така температурата се подържа постоянна.....
Това е най важният датчик, това е обратната връзка към компютъра, без него просто не виждам смисъл във нито един датчик, като не може да следи CO и да взима адекватни решения..
За да работи правилно, не трябва да истърва изгорели газове, от някоя снадка преди датчика, ако го прави не мери реалният обем на CO.
Както знаете нормалната горивна смес, която позволява на горивото да изгори без остатък "гъст, черен, лютив дим" е на 15 кила въздух 1-дно кило бензин..
За различните режими, този коефицент може да е различен 1 към 14 при обогатена смес 1 към 16 при обеднена смес.
Тоблица:
Кило бензин/ килограм въздух/
1 13 силно обогатена
1 14 обогатена
1 15 нормална
1 16 обеднена
1 18 силно обеднена.
Както виждате различните датчици се грижат да я докарат във тази норма, но това не е достатъчно, трябва обратна връзка изгорели газове-еку
Това го прави ламбда сондата "кислородният сензор" но как, компютъра си разбира от електрически сигнали, а не от изгорели газове, много просто, просто преобразува разликата между вън и вътре във електрицески потенциал, и го подава на компютъра, който вече знае как да ги чете тези сигнали.
устройството, върху едн керамичен корпус, са нанесени два електрода от платина, единият електрод е свързан със атмосферата а другият със испускателният колектор. Вътрешният електрод е защитен от изгорелите газове, чрез керамично покритие. При висока температура керамичният слой става порест и започва да пуска кислородните йони. А количеството с което контактуват двата електрода е различно, възниква потенциална разлика.
Разликата между външният "респективно засмукан" кислород и изгорелия "във обработелите газове, произвежда електрически потенциал от 0,2в при бедна и 0,9в при богата..
или по точно..
При ламбда=0,9 напрежението в сигналния проводник трябва да бъде не по-малко от 0,65V
При ламбда=1,1 напрежението в сигналния изход трябва да бъде не повече от 0,25V
Време за сработване при обеднена горивна смес не повече от 250 мс
Време за сработване при обогатена горивна смес не повече от 450 мс
Съпротивление при температура 300-350 градуса по Целзий не повече от 10 килоома
(но не важи за всички ламбди)
Но тук има уловка, това го прави само ако е загляла до 300 градуса, иначе нищо не прави, само тогава защитният керамичен слой започва да пуска кислородните йони.
Някой "с един кабел" се подгряват от изгорелите газове" но те някой път прегряват и се скапват..
За това не е ли по добре да ги сложим на зад към аспуха, пак минават изгорели газове, но не са така горещи, но как ще се загрее до работна температура, гениално инженерно решение, със вграден резистор
Това е най важният датчик, това е обратната връзка към компютъра, без него просто не виждам смисъл във нито един датчик, като не може да следи CO и да взима адекватни решения..
За да работи правилно, не трябва да истърва изгорели газове, от някоя снадка преди датчика, ако го прави не мери реалният обем на CO.
Последна промяна от traqn_savov на 30 май 2007, 22:12, променено общо 4 пъти.
Форум на българските неспециалисти.
Траян Савов:
Генерален спонсор на Глобул-ад, Виваком, еон българия и ром-петрол....
а мен кой ще спонсорира.?!!?!!?
Траян Савов:
Генерален спонсор на Глобул-ад, Виваком, еон българия и ром-петрол....
а мен кой ще спонсорира.?!!?!!?
- traqn_savov
- потребител

- Мнения: 932
- Регистриран: 03 май 2007, 20:23
- Модел на автомобила: citroen xsara 1.4i 99 silverlight
- Местоположение: VARNA
- Status: Извън линия
Моторчето за контрол на ниските обороти..
Моторчето служи за много неща, да контролира оборотите на ниски, когато двигателят е студен да ги вдигне, за
да не угася, като караш на пълна газ и го пуснеш рязко, сместа е преобогатена, и може да угасне двигателя, то
се изтегля напред, и дава напор на клапата, после я връща бавно, до стабилни ниски "прави преходен режим"
това всичко го прави компютъра, и нищо не може да се настройва..
Съществуват маса схеми на контрол на ниските, стъпкови двигателчета "няма четки" и правотокови двигателчета
"какъвто е и монтиран на системата"
Устройството му е просто, ако като деца не сте си счупили детското камионче, да видите какво има вътре, може
те да го направите на комиончетата на вашите деца..
как се проверява, лесно, просто даваш контакт огасяш контакта, и моторчето се мести, при даден контакт
затваря, при изключен контакт отваря клапата за да се проветряват колекторите..
Или караш някой, без да дава газ "отпуснат педал на газта" на ръчна да потегли, и го гледаш реакцията му е
като паднат оборотите, дава напор на клапата...
ако не се движи, със омметър се замерват двата му края 21 41 дали омметъра засича стойност към 200 300 ома. ако не засича нищо можеш да прабваш със два кабела да пуснеш напрежение, ако не се движи, или е блокирало или изгоряло. трябва да се подмени.
Моторчето служи за много неща, да контролира оборотите на ниски, когато двигателят е студен да ги вдигне, за
да не угася, като караш на пълна газ и го пуснеш рязко, сместа е преобогатена, и може да угасне двигателя, то
се изтегля напред, и дава напор на клапата, после я връща бавно, до стабилни ниски "прави преходен режим"
това всичко го прави компютъра, и нищо не може да се настройва..
Съществуват маса схеми на контрол на ниските, стъпкови двигателчета "няма четки" и правотокови двигателчета
"какъвто е и монтиран на системата"
Устройството му е просто, ако като деца не сте си счупили детското камионче, да видите какво има вътре, може
те да го направите на комиончетата на вашите деца..
как се проверява, лесно, просто даваш контакт огасяш контакта, и моторчето се мести, при даден контакт
затваря, при изключен контакт отваря клапата за да се проветряват колекторите..
Или караш някой, без да дава газ "отпуснат педал на газта" на ръчна да потегли, и го гледаш реакцията му е
като паднат оборотите, дава напор на клапата...
ако не се движи, със омметър се замерват двата му края 21 41 дали омметъра засича стойност към 200 300 ома. ако не засича нищо можеш да прабваш със два кабела да пуснеш напрежение, ако не се движи, или е блокирало или изгоряло. трябва да се подмени.
Форум на българските неспециалисти.
Траян Савов:
Генерален спонсор на Глобул-ад, Виваком, еон българия и ром-петрол....
а мен кой ще спонсорира.?!!?!!?
Траян Савов:
Генерален спонсор на Глобул-ад, Виваком, еон българия и ром-петрол....
а мен кой ще спонсорира.?!!?!!?
- traqn_savov
- потребител

- Мнения: 932
- Регистриран: 03 май 2007, 20:23
- Модел на автомобила: citroen xsara 1.4i 99 silverlight
- Местоположение: VARNA
- Status: Извън линия
Система за вентилация на резервоара..
Бензина се изпарява, и при това доста, нужна е вентилация, а и да има от къде да влиза въздух, като свършва горивото.
Това го прави системата за вентилация на резевоара, "едит: имат го всички бензинови коли, без значение дали са карборатор или инжекция...
как работи..
Една тънка пласмасова тръба, е свързана от едната страна със резервоара, а от другата със хигроскопичен "микро порест" абсорбатор, има и клапанче което не допуска парите във двигателя когато той е спрял, за да не се задави.
така когато автомобилът е угасен, а на вън е 40 градуса, вие си пиете биричката във някой хладна механа, докато колата се пече, вкючително и резервоара, ценната течност започпа да се изпарява " почти толкова бързо, колкото спестяванията ви" и попада във предният десен калник " на фиестата" или в предният ляв " на ескорта" абсорбатор, и се трупат там, но клапана преодвратява те да нахлуят в двигателя..
така, след като сте изпили една две бири "можеби безалкохолни" решавате да вземете да поразтъпчете колата, в момента когато се запали и заработи колата, клапанчето се отваря, и временният резервоал за пари бива измукан от двигателя, клапанчето работи постоянно отворено при карбораторите и на импулси при бензиновите инжекции...
По принцип е само за екология, и няма отношение към вървенето, естественно ако абсорбатора се запуши няма да има обмен във резервоара тоест когато количеството бензин пада ще се създава вакум...
и играе ролята на искрогасител, ако кихне всмукателният колектор, да не се предаде на резервоара, тогас ще стане мазано.

Бензина се изпарява, и при това доста, нужна е вентилация, а и да има от къде да влиза въздух, като свършва горивото.
Това го прави системата за вентилация на резевоара, "едит: имат го всички бензинови коли, без значение дали са карборатор или инжекция...
как работи..
Една тънка пласмасова тръба, е свързана от едната страна със резервоара, а от другата със хигроскопичен "микро порест" абсорбатор, има и клапанче което не допуска парите във двигателя когато той е спрял, за да не се задави.
така когато автомобилът е угасен, а на вън е 40 градуса, вие си пиете биричката във някой хладна механа, докато колата се пече, вкючително и резервоара, ценната течност започпа да се изпарява " почти толкова бързо, колкото спестяванията ви" и попада във предният десен калник " на фиестата" или в предният ляв " на ескорта" абсорбатор, и се трупат там, но клапана преодвратява те да нахлуят в двигателя..
така, след като сте изпили една две бири "можеби безалкохолни" решавате да вземете да поразтъпчете колата, в момента когато се запали и заработи колата, клапанчето се отваря, и временният резервоал за пари бива измукан от двигателя, клапанчето работи постоянно отворено при карбораторите и на импулси при бензиновите инжекции...
По принцип е само за екология, и няма отношение към вървенето, естественно ако абсорбатора се запуши няма да има обмен във резервоара тоест когато количеството бензин пада ще се създава вакум...
и играе ролята на искрогасител, ако кихне всмукателният колектор, да не се предаде на резервоара, тогас ще стане мазано.
Форум на българските неспециалисти.
Траян Савов:
Генерален спонсор на Глобул-ад, Виваком, еон българия и ром-петрол....
а мен кой ще спонсорира.?!!?!!?
Траян Савов:
Генерален спонсор на Глобул-ад, Виваком, еон българия и ром-петрол....
а мен кой ще спонсорира.?!!?!!?
- traqn_savov
- потребител

- Мнения: 932
- Регистриран: 03 май 2007, 20:23
- Модел на автомобила: citroen xsara 1.4i 99 silverlight
- Местоположение: VARNA
- Status: Извън линия
До тук разглеждахме, възлите на моновпръскването....
Сега следва да разгледаме и многоточковото впръскване..
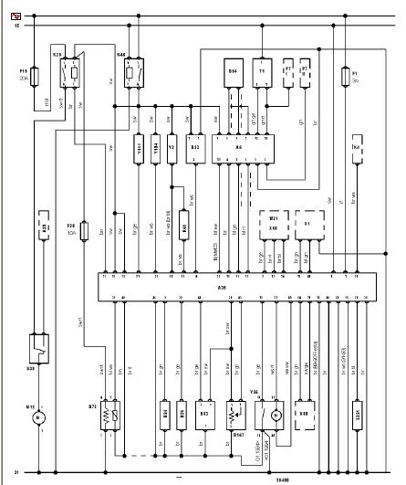
Разгледайте двате схеми, откривате ли разликата, няма краен изкючвател за празните обороти и моторчето липсва, има маф сензор, това е защото е по ново поколение система, но и много от нещата са непроменине, термо датчиците, и други, ще разгледаме само разликите между двете..

Сега следва да разгледаме и многоточковото впръскване..
Разгледайте двате схеми, откривате ли разликата, няма краен изкючвател за празните обороти и моторчето липсва, има маф сензор, това е защото е по ново поколение система, но и много от нещата са непроменине, термо датчиците, и други, ще разгледаме само разликите между двете..
Форум на българските неспециалисти.
Траян Савов:
Генерален спонсор на Глобул-ад, Виваком, еон българия и ром-петрол....
а мен кой ще спонсорира.?!!?!!?
Траян Савов:
Генерален спонсор на Глобул-ад, Виваком, еон българия и ром-петрол....
а мен кой ще спонсорира.?!!?!!?
- traqn_savov
- потребител

- Мнения: 932
- Регистриран: 03 май 2007, 20:23
- Модел на автомобила: citroen xsara 1.4i 99 silverlight
- Местоположение: VARNA
- Status: Извън линия
Както вече споменах, във пълната инжекция липсва моторчето което легулира празните обороти "поне при този модул, май модулите са към 4-5
"
Технически е изпълнено чрез обиколен канал "бай пас" тоест вече няма нужда да се задвижва цялата клапа, да увеличава и намаля въздуха, необходим за работата на празен ход, това вече се извършва от горе споменатото каналче, и клапан IAC
Симтоми..
двигателят гасне, не държи ниски, особенно студен "когато е бедна сместа" или много загрял " но ако и не върви нормално, причината не я търсете тук
"
как се проверява, със просто ометърче, дали има някой вътре
а може и да му се пусне захранване, и да се види дали цъка, или се движи.
Ако е блокирал, ми се струва че един спрей ВД-40 ще свърше работа, ако ли не лошо, трябва нов.
Едит: забелязахте ли че тук вече липсва ключето което оказва на еку-то че си отпуснал до край педала, това е така защото вече има компаратор на напрежението, има и модоли където може да се настройва нивото на компаратора, но там е по добре да не се пипа...
със две думи, много по прецизна система, от моноинжекциона.
Технически е изпълнено чрез обиколен канал "бай пас" тоест вече няма нужда да се задвижва цялата клапа, да увеличава и намаля въздуха, необходим за работата на празен ход, това вече се извършва от горе споменатото каналче, и клапан IAC
Симтоми..
двигателят гасне, не държи ниски, особенно студен "когато е бедна сместа" или много загрял " но ако и не върви нормално, причината не я търсете тук
как се проверява, със просто ометърче, дали има някой вътре
а може и да му се пусне захранване, и да се види дали цъка, или се движи.
Ако е блокирал, ми се струва че един спрей ВД-40 ще свърше работа, ако ли не лошо, трябва нов.
Едит: забелязахте ли че тук вече липсва ключето което оказва на еку-то че си отпуснал до край педала, това е така защото вече има компаратор на напрежението, има и модоли където може да се настройва нивото на компаратора, но там е по добре да не се пипа...
със две думи, много по прецизна система, от моноинжекциона.
Форум на българските неспециалисти.
Траян Савов:
Генерален спонсор на Глобул-ад, Виваком, еон българия и ром-петрол....
а мен кой ще спонсорира.?!!?!!?
Траян Савов:
Генерален спонсор на Глобул-ад, Виваком, еон българия и ром-петрол....
а мен кой ще спонсорира.?!!?!!?
- traqn_savov
- потребител

- Мнения: 932
- Регистриран: 03 май 2007, 20:23
- Модел на автомобила: citroen xsara 1.4i 99 silverlight
- Местоположение: VARNA
- Status: Извън линия
MAF дебитомера на засмукваният въздух, измерва каква е масата на засмукваният въздух..
дебитомерите са много видове, този специално, работи на термичен принцип, и е вкючен по схемата на измервателното
съпротивление "тук можеби някой радио техник би внесъл повече яснота"
Има един термистор, и едно жично направено от платина "можеби за това струва толкова"
простият принцип на работа "без да се задълбочаваме във разни формули"
това е чист съпротивлителен делител, просто във веригата участват елементи който са термочуствителни,
насрещният поток ги охлажда и намаля тяхното съпротивление през него започва да тече по голям ток, и
увеличава потенциала..
попринцип много просто устройство, без никакви движещи части, но все пак е възможно да се повреди.
между електроди 1 - 2 се мери съпротивление "дадени са стойностите на снимката, снети от аутодатата"
а на буксата между 3 - 5 на контакт трябва да се установява напрежение 12 волта.
п.П. ако кажа на някой радио техник че това струва 200 лева, сигорно ще ми се исмее

дебитомерите са много видове, този специално, работи на термичен принцип, и е вкючен по схемата на измервателното
съпротивление "тук можеби някой радио техник би внесъл повече яснота"
Има един термистор, и едно жично направено от платина "можеби за това струва толкова"
простият принцип на работа "без да се задълбочаваме във разни формули"
това е чист съпротивлителен делител, просто във веригата участват елементи който са термочуствителни,
насрещният поток ги охлажда и намаля тяхното съпротивление през него започва да тече по голям ток, и
увеличава потенциала..
попринцип много просто устройство, без никакви движещи части, но все пак е възможно да се повреди.
между електроди 1 - 2 се мери съпротивление "дадени са стойностите на снимката, снети от аутодатата"
а на буксата между 3 - 5 на контакт трябва да се установява напрежение 12 волта.
п.П. ако кажа на някой радио техник че това струва 200 лева, сигорно ще ми се исмее
Форум на българските неспециалисти.
Траян Савов:
Генерален спонсор на Глобул-ад, Виваком, еон българия и ром-петрол....
а мен кой ще спонсорира.?!!?!!?
Траян Савов:
Генерален спонсор на Глобул-ад, Виваком, еон българия и ром-петрол....
а мен кой ще спонсорира.?!!?!!?
- traqn_savov
- потребител

- Мнения: 932
- Регистриран: 03 май 2007, 20:23
- Модел на автомобила: citroen xsara 1.4i 99 silverlight
- Местоположение: VARNA
- Status: Извън линия
Модула на запалването..
Модулите на запалването биват изкючително много видове, но всички работят на един и същ принцип, усилват сигнала подаван от компютъра за да могат да задействат ниско омните запалителни бобини, вградени са отпред до филтъра..
(
ВНИМАНИЕ: на някой модели са във компютъра, при евентуална повреда се подменя целият компютърен блок)
Неизправности:
Два или четерите цилиндри не хвърлят искра.
Как се замерва, трудно:
Може да се закачи една лампа на буксите на бобината, при завъртане на двигателя трябва да почне да мига, ако не мига нещо не е наред, но не е задължително да е във модула.
проследява се сигнала докато се установи къде се губи, а това е най често във крайните мощи транзистори.
Модулите на запалването биват изкючително много видове, но всички работят на един и същ принцип, усилват сигнала подаван от компютъра за да могат да задействат ниско омните запалителни бобини, вградени са отпред до филтъра..
(
Неизправности:
Два или четерите цилиндри не хвърлят искра.
Как се замерва, трудно:
Може да се закачи една лампа на буксите на бобината, при завъртане на двигателя трябва да почне да мига, ако не мига нещо не е наред, но не е задължително да е във модула.
проследява се сигнала докато се установи къде се губи, а това е най често във крайните мощи транзистори.
Форум на българските неспециалисти.
Траян Савов:
Генерален спонсор на Глобул-ад, Виваком, еон българия и ром-петрол....
а мен кой ще спонсорира.?!!?!!?
Траян Савов:
Генерален спонсор на Глобул-ад, Виваком, еон българия и ром-петрол....
а мен кой ще спонсорира.?!!?!!?
- traqn_savov
- потребител

- Мнения: 932
- Регистриран: 03 май 2007, 20:23
- Модел на автомобила: citroen xsara 1.4i 99 silverlight
- Местоположение: VARNA
- Status: Извън линия
Повредите могат да бъдат, много и най различни, но повечето си имат симптоми по който се диагностицират...
И съществуват трети вид повреди, скрити заради който се поврежда нещо друго, сменяш го, и то хоп пак, се развалило..
Целта е, също така, да се премахнат, първо причините за дадените повреди, примерно: не оригинални, не качественни кабели, могат да ти повредят бобините или комутатора....
Не всяка повреда има първопричина, на някой детайли просто им свършва живота, лошото е от друга страна че могат да станат първопречинни за по голяма повреда, пример: на валенсиите 1.1 някой път масленната помпа отказва, и спира да маже двигателя..
А от всички, най гадни се оказват, непостоянните, ту работи ту не, това е направо побъркващо за откриване, почти невъзможно. Подобни повреди трябва да се разбере какво ги стимулира, кога се появяват, от друсане, загряване, ниско ниво на бензина, и тогава по пътя на логическата мисъл да се търси първопричината...
Повредите си имат таблица за симтоми и възможни повреди и начини за отстраняване, който ще кача после....
Бензиновите горивни уредби се състоят от датчици и изпълнителни елементи, единственият начи, двигателя да реагира правилно, то е датчиците да му дават верни показания, защото единственият начи компютъра да разбере каква е температурата на двигателя, обема на засмукваният въздух, позицията на дроселовата клапа, това са датчиците, и ако те го лъжат, тоест тпс-са показва 25 процента отворена клапа а реално е 50 компютъра не отчита повреда, защото отчита че работи, но не верните данни водят до не верни закючения а от там и до влошена работа, и такъв не корекно работещ датчик, закачен на диагностичен уред, ако ще и да е от 10 000 лева уреда да струва, показва всичко окей, всичко окей, ама колата не е добре..
А за адаптивността, тя е само за празните обороти, стъпка-адаптация това си помни компа, колко стъпки му трябват за 800 об. пр. за да не ги търси постоянно, няма друга адаптация на режимите, но има заместваш сервизен сигнал, при повреда служи за придвижване, и игнорира показанията на датчиците....
Тоест с прости думи казано, има няколко основни датчика, който трябва да се измерят, един по един на ръка, а стойностите да се сравнят, с таблиците за истенност предпоръчани от завода пройзводител....
А те са...
Ламда сондата на първо място. лошото е, че не се знае до колко тя лъже, но при всички случай не трябва да е зациклила в едно полужение само.. това е може би и най трудният датчик за измерване, за корено измерване, не просто да провериш дали се получава волтаж на изхода си..
ТПС са, потенциометара на клапата, той обръща процентово в завъртане, най добре се мери по волтаж, а не по съпротивление..
Най често, го мерят в две полужения, защото е с линейна характеристика, напълно затворен, и отворен до край, показанията се сравняват със дадените от завода..
Температурният датчик на двигателя, най добре е да се свали, да се заври на котлон, закачен през това време за ом метър и да се проверят показанията с дадените от завода..
Датчика на засмукваният въздух, дебитомера, разходомера, маф и мап сензори.
и мапа(датчик на абсолютното налягане в смукателният колектор) и мафа(основен въздушен поток, буквален превод) служат да измерват също важна величина, един не изправен датчик може да доведе до много главоболия.
Съществуват много схеми, и много начини за измерване, трябва да се намери кой, е най подходящия, за даденият модел..
Замерването на тези датчици на ръка, е задължително при трудно откриваща се повреда, така да се каже, те са четерите основни датчика които участват в уравнението на формулата за идеална горивна смес..
Въоръжете се със търпение, мултицет, осцилоскоп (още по добре) и успех в откриването, и унищожаването на повреди...
това далеч не обхваща всички аспекти, но е важно за мощност и горивна икономия.......
И съществуват трети вид повреди, скрити заради който се поврежда нещо друго, сменяш го, и то хоп пак, се развалило..
Целта е, също така, да се премахнат, първо причините за дадените повреди, примерно: не оригинални, не качественни кабели, могат да ти повредят бобините или комутатора....
Не всяка повреда има първопричина, на някой детайли просто им свършва живота, лошото е от друга страна че могат да станат първопречинни за по голяма повреда, пример: на валенсиите 1.1 някой път масленната помпа отказва, и спира да маже двигателя..
А от всички, най гадни се оказват, непостоянните, ту работи ту не, това е направо побъркващо за откриване, почти невъзможно. Подобни повреди трябва да се разбере какво ги стимулира, кога се появяват, от друсане, загряване, ниско ниво на бензина, и тогава по пътя на логическата мисъл да се търси първопричината...
Повредите си имат таблица за симтоми и възможни повреди и начини за отстраняване, който ще кача после....
Бензиновите горивни уредби се състоят от датчици и изпълнителни елементи, единственият начи, двигателя да реагира правилно, то е датчиците да му дават верни показания, защото единственият начи компютъра да разбере каква е температурата на двигателя, обема на засмукваният въздух, позицията на дроселовата клапа, това са датчиците, и ако те го лъжат, тоест тпс-са показва 25 процента отворена клапа а реално е 50 компютъра не отчита повреда, защото отчита че работи, но не верните данни водят до не верни закючения а от там и до влошена работа, и такъв не корекно работещ датчик, закачен на диагностичен уред, ако ще и да е от 10 000 лева уреда да струва, показва всичко окей, всичко окей, ама колата не е добре..
А за адаптивността, тя е само за празните обороти, стъпка-адаптация това си помни компа, колко стъпки му трябват за 800 об. пр. за да не ги търси постоянно, няма друга адаптация на режимите, но има заместваш сервизен сигнал, при повреда служи за придвижване, и игнорира показанията на датчиците....
Тоест с прости думи казано, има няколко основни датчика, който трябва да се измерят, един по един на ръка, а стойностите да се сравнят, с таблиците за истенност предпоръчани от завода пройзводител....
А те са...
Ламда сондата на първо място. лошото е, че не се знае до колко тя лъже, но при всички случай не трябва да е зациклила в едно полужение само.. това е може би и най трудният датчик за измерване, за корено измерване, не просто да провериш дали се получава волтаж на изхода си..
ТПС са, потенциометара на клапата, той обръща процентово в завъртане, най добре се мери по волтаж, а не по съпротивление..
Най често, го мерят в две полужения, защото е с линейна характеристика, напълно затворен, и отворен до край, показанията се сравняват със дадените от завода..
Температурният датчик на двигателя, най добре е да се свали, да се заври на котлон, закачен през това време за ом метър и да се проверят показанията с дадените от завода..
Датчика на засмукваният въздух, дебитомера, разходомера, маф и мап сензори.
и мапа(датчик на абсолютното налягане в смукателният колектор) и мафа(основен въздушен поток, буквален превод) служат да измерват също важна величина, един не изправен датчик може да доведе до много главоболия.
Съществуват много схеми, и много начини за измерване, трябва да се намери кой, е най подходящия, за даденият модел..
Замерването на тези датчици на ръка, е задължително при трудно откриваща се повреда, така да се каже, те са четерите основни датчика които участват в уравнението на формулата за идеална горивна смес..
Въоръжете се със търпение, мултицет, осцилоскоп (още по добре) и успех в откриването, и унищожаването на повреди...
това далеч не обхваща всички аспекти, но е важно за мощност и горивна икономия.......
Форум на българските неспециалисти.
Траян Савов:
Генерален спонсор на Глобул-ад, Виваком, еон българия и ром-петрол....
а мен кой ще спонсорира.?!!?!!?
Траян Савов:
Генерален спонсор на Глобул-ад, Виваком, еон българия и ром-петрол....
а мен кой ще спонсорира.?!!?!!?
- traqn_savov
- потребител

- Мнения: 932
- Регистриран: 03 май 2007, 20:23
- Модел на автомобила: citroen xsara 1.4i 99 silverlight
- Местоположение: VARNA
- Status: Извън линия
Ето тук има практически приложения....
който е добре да се разгледат..
http://www.autoshop101.com/tests/intest14.html" onclick="window.open(this.href);return false;
http://www.autoshop101.com/tests/intest15.html" onclick="window.open(this.href);return false;
който е добре да се разгледат..
http://www.autoshop101.com/tests/intest14.html" onclick="window.open(this.href);return false;
http://www.autoshop101.com/tests/intest15.html" onclick="window.open(this.href);return false;
Форум на българските неспециалисти.
Траян Савов:
Генерален спонсор на Глобул-ад, Виваком, еон българия и ром-петрол....
а мен кой ще спонсорира.?!!?!!?
Траян Савов:
Генерален спонсор на Глобул-ад, Виваком, еон българия и ром-петрол....
а мен кой ще спонсорира.?!!?!!?
-
shifter
- потребител

- Мнения: 5
- Регистриран: 19 май 2008, 14:47
- Модел на автомобила: Ford Fiesta 1.1, Ford Escort 1.6D
- Местоположение: София, Овча купел 1
- Status: Извън линия
Re: датчици, MAP TPS и изпълнителни елементи.. диагностика.
Браво много полезна информация!
Искам само да попитам относно изменрването на TPS датчика,
на самата букса която влиза в TPS -a ли се закача мултицета, и трябва ли тази букса да е изключена от самият датчик.
Понеже се опитах да няправя въпросното измерване, като буксата на TPS -a е с щтифта за закачане към мен (и съответно разкачена )и приемем че пин 1 е най в ляво,
на него показва 5V (като съм дал маса на минуса на акумулатора), а меду пин 2 и 3 показва 0.05 V (мултицета е нагласен на 20V) и като подам газ да кажем до около
2000 - 3000 оборота волтажа се променя на 0.06, 0.07 V но не повече от 0.07V.
Не съм сигурен дали правилно го измервам.
Моля за по подробно разяснение.
Благодаря предварително.
Искам само да попитам относно изменрването на TPS датчика,
на самата букса която влиза в TPS -a ли се закача мултицета, и трябва ли тази букса да е изключена от самият датчик.
Понеже се опитах да няправя въпросното измерване, като буксата на TPS -a е с щтифта за закачане към мен (и съответно разкачена )и приемем че пин 1 е най в ляво,
на него показва 5V (като съм дал маса на минуса на акумулатора), а меду пин 2 и 3 показва 0.05 V (мултицета е нагласен на 20V) и като подам газ да кажем до около
2000 - 3000 оборота волтажа се променя на 0.06, 0.07 V но не повече от 0.07V.
Не съм сигурен дали правилно го измервам.
Моля за по подробно разяснение.
Благодаря предварително.
-
Edinuser
- Потребител

- Мнения: 774
- Регистриран: 05 авг 2007, 16:35
- Модел на автомобила: Ford Mondeo Ghia 2.0i 16v 93г.
- Местоположение: Плевен
- Status: Извън линия
Re: датчици, MAP TPS и изпълнителни елементи.. диагностика.
Ако измерваш ТПС-а ,
1.Ако е разкачен мериш на съпротивление.
2.Ако е закачен мериш на напрежение.
Стойностите които си дал - не отговарят, или мериш неправилно, или мериш не където трябва.
Трябва да мериш съпротивление (при разкачено положение ) на буксата която отива към ТПС а не към ЕКУ-то. АКО си закачил ТПС-а няма значение на коя букса мериш -мериш на напрежение.
Не знам как са изводите - лично не съм мерил ТПС виж в Хайнес на ел. схема как са дадени.
1.Ако е разкачен мериш на съпротивление.
2.Ако е закачен мериш на напрежение.
Стойностите които си дал - не отговарят, или мериш неправилно, или мериш не където трябва.
Трябва да мериш съпротивление (при разкачено положение ) на буксата която отива към ТПС а не към ЕКУ-то. АКО си закачил ТПС-а няма значение на коя букса мериш -мериш на напрежение.
Не знам как са изводите - лично не съм мерил ТПС виж в Хайнес на ел. схема как са дадени.
-
medveda
- потребител

- Мнения: 12
- Регистриран: 06 юни 2008, 17:52
- Модел на автомобила: mondeo
- Status: Извън линия
Re: датчици, MAP TPS и изпълнителни елементи.. диагностика.
ха браво професоре за дисертацията
точно и на място.
точно и на място.
-
mammi
- потребител

- Мнения: 2
- Регистриран: 04 сеп 2007, 11:23
- Модел на автомобила: Ford Escort 92 MI
- Status: Извън линия
Re: датчици, MAP TPS и изпълнителни елементи.. диагностика.
Много полезна информация,предоставена в достъпен вид.Благодаря! 
- TM RACER®
- потребител

- Мнения: 232
- Регистриран: 19 юни 2005, 19:55
- Модел на автомобила: Escort RS2000 '93
R.I.P. Escort XR3 130hp '92 - Местоположение: Варна
- Контакти:
- Status: Извън линия
Re: датчици, MAP TPS и изпълнителни елементи.. диагностика.
Темата е невероятна! Всичко е обяснено както трябва.
-
MILEN1234567
- потребител

- Мнения: 1
- Регистриран: 07 окт 2009, 20:05
- Модел на автомобила: мазда
- Status: Извън линия
Re: датчици, MAP TPS и изпълнителни елементи.. диагностика.
Здравейте! Искам да задам един въпрос относно TPS датчика. В къщи имам чисто нов и трябва да бъде сменен защото стария е развален. Прочетох по-горе обяснението обаче то е за датчик със 3 извода, а моя е с 4 защото колата е автоматик и от там идва проблема. Как да действам? Това е снимка на датчика:
http://pics.data.bg/albums/14997/%d0%b5 ... a23136/044" onclick="window.open(this.href);return false;
Колата е Мазда 626 , 2,5 , v6 от 1996 година. Трябваше да отида във сервиз мазда обаче там отказаха защото датчика не е закупен от тях. Моля помагайте че проблема е страшен.
http://pics.data.bg/albums/14997/%d0%b5 ... a23136/044" onclick="window.open(this.href);return false;
Колата е Мазда 626 , 2,5 , v6 от 1996 година. Трябваше да отида във сервиз мазда обаче там отказаха защото датчика не е закупен от тях. Моля помагайте че проблема е страшен.
Кой е на линия
Потребители, разглеждащи този форум: Няма регистрирани потребители и 17 госта
